Pêşkêş
Adaptera Fitting Hydraulic parçeyek e ku parçeyên cûda yên hîdrolîk girêdide. Ji bo rawestandina lehiyan zexm li hev dike. Ji materyalên bihêz hatî çêkirin, ew dikare tansiyona bilind ragire. Ew di makîneyên kargehê, amûrên çandiniyê û pergalên hîdrolîk ên gerîdeyê de tê bikar anîn. Ew bi gelek beşan re dixebite, şilavê bi rêkûpêk diherike, hêsan tê danîn û hewceyê lênihêrîna hindik e. Ew ji bo karanîna dirêj baş e, ew ji bo girêdanên hîdrolîk vebijarkek biaqil dike.



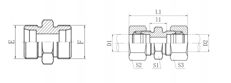
Specifications

|
BEŞA NO. |
DEZÎ |
TUBE OD |
DIMENSIONS |
ASTA PÊŞAN | ||||||
|
E |
F |
D1 |
D2 |
11 |
L1 |
S1 |
S2 |
S3 |
MPa |
|
|
1C-12 |
M12X1.5 |
M12X1.5 |
6 |
6 |
10 |
39 |
12 |
14 |
14 |
31.5 L |
|
1C-14 |
M14X1.5 |
M14X1.5 |
8 |
8 |
11 |
40 |
14 |
17 |
17 |
|
|
1C-18 |
M18X1.5 |
M18X1.5 |
12 |
12 |
14 |
43 |
19 |
22 |
22 |
|
|
1C-22 |
M22X1.5 |
M22X1.5 |
15 |
15 |
16 |
46 |
24 |
27 |
27 |
16 L |
|
1C-26 |
M26X1.5 |
M26X1.5 |
18 |
18 |
16 |
48 |
27 |
32 |
32 |
|
|
1C-30 |
M30X2 |
M30X2 |
22 |
22 |
20 |
52 |
32 |
36 |
36 |
|
|
1C-36 |
M36X2 |
M36X2 |
28 |
28 |
21 |
54 |
41 |
41 |
41 |
|
|
1C-45 |
M45X2 |
M45X2 |
35 |
35 |
20 |
63 |
46 |
50 |
50 |
|
|
1C-52 |
M52X2 |
M52X2 |
42 |
42 |
21 |
66 |
55 |
60 |
60 |
63 S |
|
1D-14 |
M14X1.5 |
M14X1.5 |
6 |
6 |
16 |
45 |
14 |
17 |
17 |
|
|
1D-16 |
M16X1.5 |
M16X1.5 |
8 |
8 |
18 |
47 |
17 |
19 |
19 |
|
|
1D-18 |
M18X1.5 |
M18X1.5 |
10 |
10 |
17 |
49 |
19 |
22 |
22 |
|
|
1D-20 |
M20X1.5 |
M20X1.5 |
12 |
12 |
19 |
51 |
22 |
24 |
24 |
|
|
1D-22 |
M22X1.5 |
M22X1.5 |
14 |
14 |
22 |
57 |
24 |
27 |
27 |
|
|
1D-24 |
M24X1.5 |
M24X1.5 |
16 |
16 |
21 |
57 |
27 |
30 |
30 |
|
|
1D-30 |
M30X2 |
M30X2 |
20 |
20 |
23 |
66 |
32 |
36 |
36 |
40 S |
|
1D-36 |
M36X2 |
M36X2 |
25 |
25 |
26 |
74 |
41 |
46 |
46 |
|
|
1D-42 |
M42X2 |
M42X2 |
30 |
30 |
27 |
80 |
46 |
50 |
50 |
|
|
1D-52 |
M52X2 |
M52X2 |
38 |
38 |
29 |
90 |
55 |
60 |
60 |
|
Parametre / Daneyên Teknîkî
|
Eslî |
Zhejiang, Çîn |
Dîroka teslîmkirinê |
Negotiable |
|
Şehadet |
GB / T19001-2016 idt ISO9001: 2015 |
Bixçe |
standard hinardekirinê |
|
Mal |
Karbon Steel |
Libersekînîn |
1 sal |
|
Termê dayinê |
TT |
MOQ |
2000 |
|
Rewş |
Nşh |
Reng |
Zinc spî, zinc reng |
About Company












Avantajên
Kalîteya Bilind
Tîmek me ya profesyonel bi zanîna teknîkî û ezmûna rêveberiyê heye. Pargîdaniya me bi pejirandina pergala kalîteya profesyonel derbas bûye.
Tecrubeya dewlemend
Em di sala 2011-an de hatin damezrandin. Heta nuha, hilberên me ji zêdetirî 40 welatan re hatine hinartin, wekî Rûsya, Avusturalya, DY, Keyaniya Yekbûyî, Almanya, Romanya, Meksîka, Brezîlya, Şîlî, Kanada, Spanya, Kolombiya û hwd. Em dikarin karûbarê bilind ji xerîdarên xwe re peyda bikin.
Berhemên Cûda
Li gorî hewcedariyên cihêreng biguncînin. Me 4 hilberên rêzê hene, bi tevahî ji sed cûrbecûr zêdetir, balê dikişînin ser pêlava hîdrolîk, ferrule hîdrolîk, adapterê hîdrolîk û lûleya naylon. Ji bo ku hûn vebijarkên cûrbecûr peyda bikin.
qezencên biçûk
Hêza pargîdaniya me, ji nû ve-krediyê, peymanê bihêle, da ku kalîteya hilberê piştrast bike, di bin prensîbên kategoriyên cûrbecûr û bihayê kêm de baweriya xerîdar qezenc kiriye. Hûn bi xêr hatin xerîdarên kevin û nû yên ji mal û derveyî welêt ji bo şêwirdarî û danûstandinan gazî dikin an werin pargîdaniya me. Zêdebûna firotanê ya li pey hev 10 salan.
Best Service
Kêfxweşiya xerîdar her gav xema sereke ya makîneya FeiKe ye, em dildar in ku her pirsgirêkek çareser bikin. Em ê bersivê bidin hemî pirsên ku têne pirsîn, alîkariya her kesê hewcedar bikin û bersivê bidin her duakirinê.
Cihê hêja
Em li nêzî Hangzhou-yê cih digirin, em ji pergalên veguheztinê û lojîstîkê yên pêşkeftî-bi kêfê xweş dibin, ku tevgera barkêşiyê hêsan dike.

FAQ
Q: Çima divê hûn me hilbijêrin?
A: Em pisporek hîdrolîk a pêbawer in ku bi ezmûna 10 salan e. Berhemên me bi kalîte-bilind in, bi 18-mehî garantîyek têne, û zû têne şandin. Em di heman demê de teserûfa lêçûn û piştgiriya piştî firotanê ya pêbawer pêşkêşî dikin.
Pirs: Ma hûn kargehek an pargîdaniyek bazirganî ne?
A: Em kargeha rasterast in ku pêlavên hîdrolîk hildiberînin, ku ji 10 salan zêdetir di çêkirin û R&D de pispor in.
Q: Dema radestkirina we çi ye?
Bersiv: Ji bo -barên stokê: 7-15 rojan.
Ji bo -ji-barên stokan: 30-45 rojan (girêdayî hêjahiya fermanê ye).
Q: Şertên dravdana we çi ne?
A: 30% spartinê piştî pejirandina fermanê, 70% balansa berî barkirinê.
Q: Ma hûn nimûneyan pêşkêş dikin?
A: Berhemên standard: 2 nimûneyên belaş (mişterî barkirinê dide).
Berhemên xwerû: Bi me re têkilî daynin ku vebijarkên nimûne nîqaş bikin.
Pirs: Heke pirsgirêkek kalîteyê hebe?
A: Di nav 12 mehan de ji radestkirinê, em hemî zirarên ne-mirovî vedigirin.
Q: Hêjmara fermana weya hindiktirîn (MOQ) çi ye?
A: Berhemên standard: No MOQ (1 perçeyek jî bikirin).
Hilberên xwerû: MOQ bi hûrguliyên hilberê ve girêdayî ye.
Pirs: Hûn dikarin li ser nexşeyên min hilberan çêbikin?
A: Belê, em dikarin. Ji kerema xwe nexşeyên bêkêmasî bi daxwazên teknîkî re peyda bikin.
Pirs: Hûn karûbarê piştî-firotanê çi pêşkêş dikin?
A: Em sewqiyan di-dema rast de dişopînin û dişopînin da ku razîbûna xerîdar piştrast bikin.
Q: Hûn qalîteya hilberê çawa kontrol dikin?
A: Ji bo kontrolkirina kalîteya hişk em ceribandinên profesyonel (spereya xwê, hêza tîrêjê, hişk, hwd.) bikar tînin.
Q: Ma hûn karûbarên OEM pêşkêş dikin?
A: Belê, em dikin. Ji bo hûragahiyan bi me re têkilî daynin.
Q: Hûn çi pakêtê bikar tînin?
A: Standard: Qutiyên kartonê. Li ser daxwazê pakkirina xwerû heye.
Q: Ez dikarim kengî bihayek bistînim?
A: Em piştî wergirtina lêpirsîna we di nav 8 demjimêran de bersiv didin.
Hot Tags: adapterê pêvekirina hîdrolîk, çêkerên adapterê pêvekirina hîdrolîk a Chinaînê, kargeh
